Самоцентрирующиеся мини тиски для 5х обработки с базированием в нулевой точке

Прецизионные тиски для работы с 5 х машинными центрами и встроенной системой базирования в нулевой точке. Тиски могут быть установлены на столы обрабатывающих центров непосредственно или на мини паллеты с системой базирования в нулевой точке с комплектом дополнительных удлинителей. А так же могут быть использованы установочные башни и специальные призмы для обеспечения многоместной установки заготовок в 5 х машинные центры. Тиски имеют сменные зажимные губки с различным видом профиля: прямые, "ласточкин хвост", серрейтор, мягкие алюминиевые, стальные под обработку заказчиком, либо выполненные под профиль заказчика. 

1

Самоцентрирующиеся тиски

Выпускаются в различных модификациях и размерах с силой удержания до 30 кН. С моментом затяжки до 100 нМ.

2

Надежность и качество

Тиски и губки выполнены из закаленной стали, зажимной винт может иметь покрытие нитридом титана для увеличения прочности. Для специальных целей возможно выполнение из нержавеющей стали.

3

Функциональность и точность

Тиски имеет точность повторной установки вплоть до ≤0.01 mm. С помощью установочных цапф , тиски могут устанавливаться в установочные плиты. С помощью зажимов тиски могут быть установлены непосредственно на стол или переходные плиты.

4

Внимание!

В связи с постоянной работой над совершенствованием технологий и изделий, реальный продукт может отличаться от показанного на рисунке. Компания оставляет за собой право вносить любые изменения без предварительного уведомления.

Самоцентрирующиеся тиски серии 80

Серия предназначена для установки, на стол станка, установки в переходные блоки, башни, призмы и плиты, имеют различные зажимные губки, ширина  80 мм. Для установки тисков в станок существуют плиты с базированием в нулевой точке.

Для заказа используйте номер артикула. 

Артикул Модель Сила зажима, кНМомент затяжки, НмL, mmL1, mm*S, mmМасса, кг
6010080VM1082010010032/94403.2
6013080VM1382010013062/124503.8
6017080VM1782010017092/154604.5
6021080VM21820100210132/194705.6

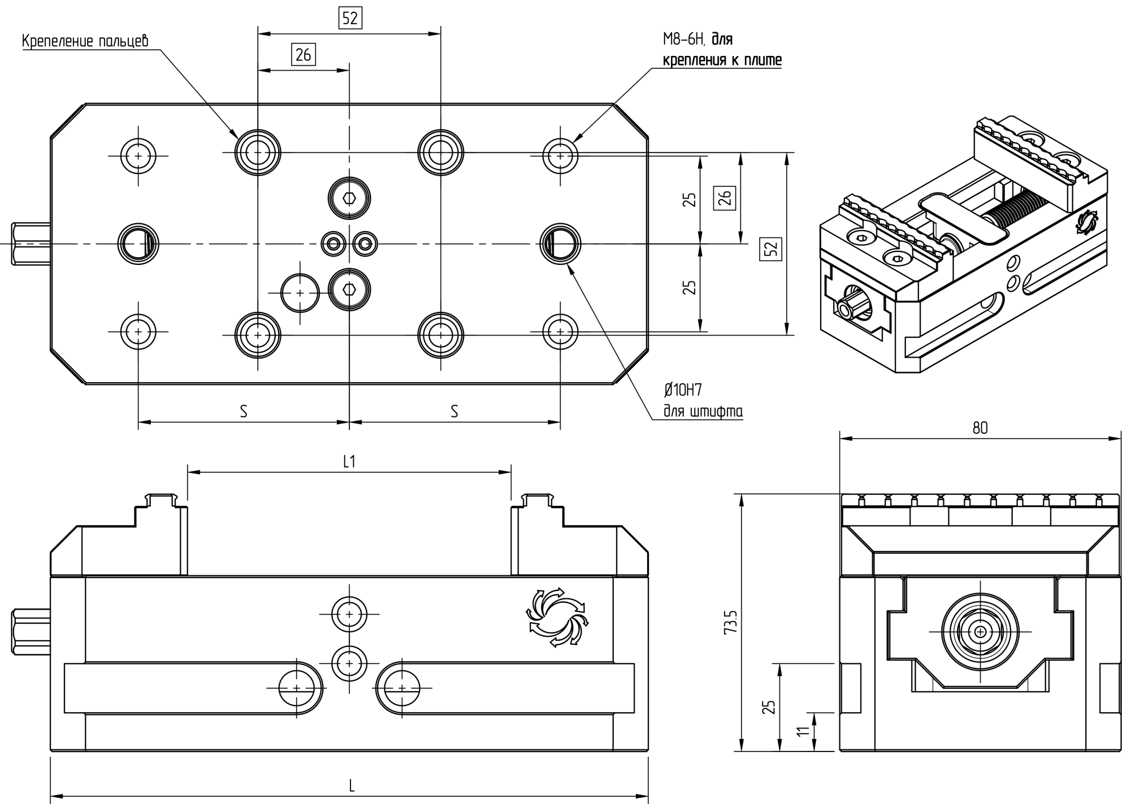
Размеры для установки

* Размер в таблице

Указан для шлифованных губок - стандартное/развернутое положение. Губки поворотные установленные на винтах.

Функциональность

Тиски имеют возможность установки различных губок, переставлять губки с поворотом на 180° что увеличивает размер зажимаемой детали, алюминиевые губки, губки под обработку. Специальная версия имеет возможность установки центральной губки для зажима 2х заготовок, поставляется только по запросу.

Внимание!

Компания оставляет за собой право вносить любые технические изменения без предварительного предупреждения.

Самоцентрирующиеся тиски серии 125

Серия предназначена для установки, на стол станка, установки в переходные блоки, башни, призмы и плиты, имеют различные зажимные губки, ширина 125 мм. 

Для заказа используйте номер артикула. 

Артикул Модель Сила зажима, кНМомент затяжки, НмL, mmL1, mm*S, mmМасса, кг
6017125VM17122010017092/154607.3
6021125VM211220100210132/194808.4
6026125VM261220100260172/2341059.8
6031125VM311220100310212/27413011.2
6036125VM361220100360252/31413512.6

Размеры для установки

* Размер в таблице

Указан для шлифованных губок - стандартное/развернутое положение. Губки поворотные установленные на винтах.

Функциональность

Тиски имеют возможность установки различных губок, переставлять губки с поворотом на 180° что увеличивает размер зажимаемой детали, алюминиевые губки, губки под обработку. Специальная версия имеет возможность установки центральной губки для зажима 2х заготовок, поставляется только по запросу.

Внимание!

Компания оставляет за собой право вносить любые технические изменения без предварительного предупреждения.

Примеры установки тисков в станок

Тиски имеют широкие возможности для установки в оснастку или непосредственно на стол обрабатывающего центра

Технология предварительной насечки

При использовании технологии предварительной насечки заготовки, тиски, с губками с профилем серрейтор или ласточкин хвост, способны удерживать заготовки размером:
по ширине : 3 Х на ширину губок 
по высоте: 2 Х на ширину губок.

МЕНЮ

КОНТАКТЫ

Адрес юридический:
199155, г. Санкт-Петербург, вн.тер.г. муниципальный округ Остров Декабристов, ул. Железноводская, д.20, лит.А, кв.33

Электронная почта:
info@nordicmac.com

AI Website Generator