Механические модули базирования в нулевой точке и оснастка к ним (ZERO POINT SYSTEM)

Данная линейка продуктов включает механические модули базирования в нулевой точке и дополнительную оснастку, расширяющую возможности по обработке в том числе и на 5х станках, Отличное решение для опытных производств или отладки производства деталей,  экономически обоснованное решение где не требуется частой смены паллет и оснастки. Точность повторной установки основной серии до ≤5 µM. 

Nordicmac - системы базирования в нулевой точке

1

Модули базирования в нулевой точке

Выпускаются в различных модификациях и размерах  с силой удержания до 55 кН на точку. Модули могут иметь индексное исполнение для установки модульных систем для обработки на 5х станках. 

2

Установка на любой стол

Модули с механическим зажимом могут быть установлены на любой стол в любом положении с помощью базовых плит или непосредственно в растр или Т пазы стола.

3

Функциональность и точность

Модули имеют высокую точность повторной установки и возможность работать при температурах до 200°С. Могут быть с индексными пазами или без. Возможно заказное исполнение.

4

Внимание!

Компания постоянно занимается усовершенствованием продуктов и оставляет за собой право вносить любые изменения без предварительного предупреждения. Реальные продукты могут отличаться от показанного на изображениях.

Механические зажимные модули Zero Point Systems

Выполняются из нержавеющей стали, либо из инструментальной стали. По заказу могут иметь гальваническое покрытие. Заказное исполнение на основании ТЗ заказчика. 

* Без индексных пазов

№ заказа Модель* Сила втягивания [kН]
Сила удержания [кН]Момент затяжки [Нм]Вес [г]
559678MM10*625301064
562354MM20*1055303330
559680MM10X65.0301031
562355MM20X105.0303295

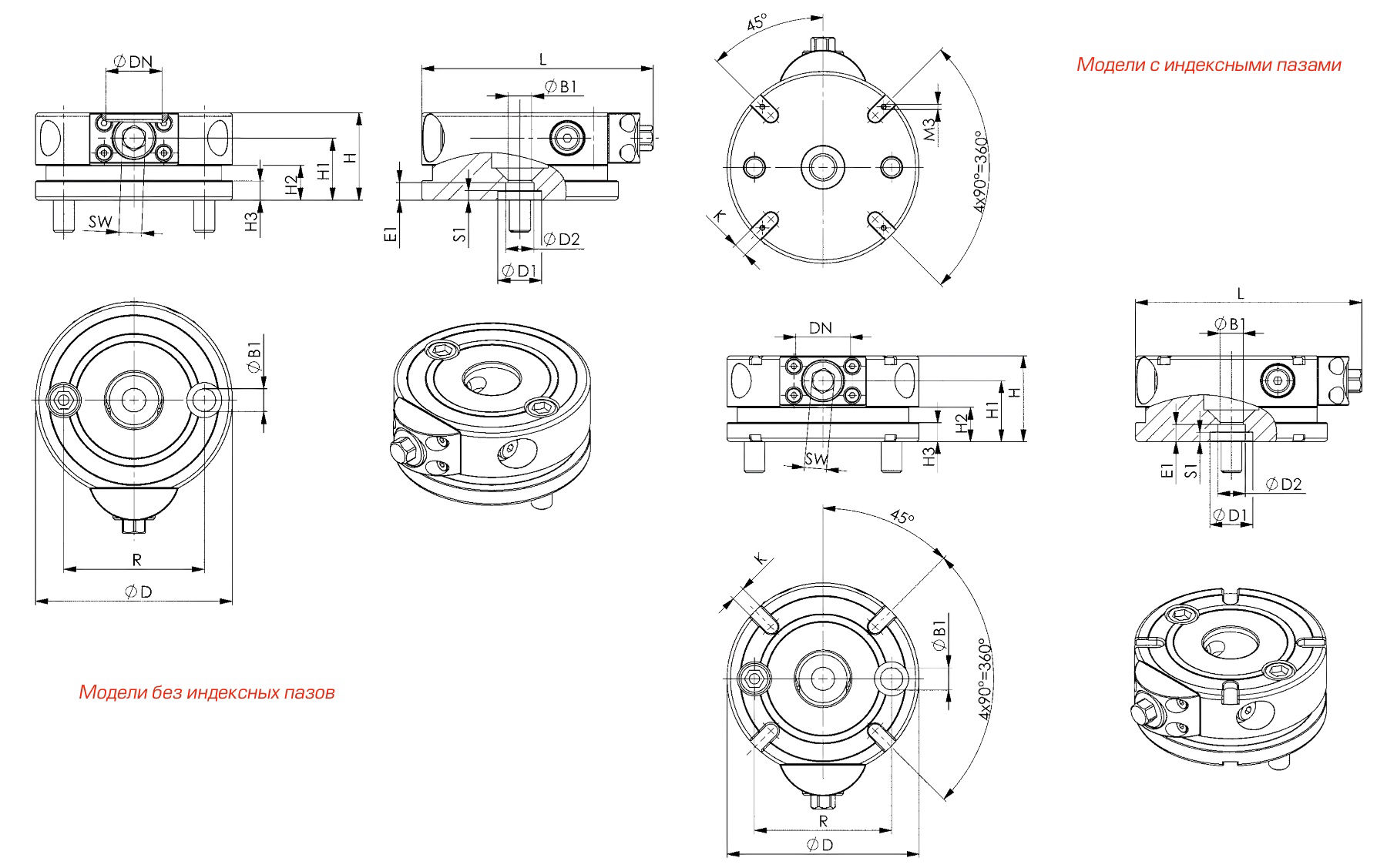
Размеры механических модулей

№ заказа МодельøB1øDøD1 H6øD2 F7øDNE1H
±0.01
H1H2H3K F6LRS1SW
559678MM109,0801515224,53280---9550310
562354MM20
13,511625163210501402011-136805,513
559680MM10X
9.0801515224,532270--89550310
562355MM20X
13,5116251632105043020118136805,513

Примеры установки механических систем базирования в нулевой точке на столе станка

Данные модули прекрасное решение для установки заготовок на стол станков или обрабатывающих центров и имеют точность повторной установки ≤0.005 мм. 

Обработка алюминиевых заготовок с установкой на системы базирования в нулевой точке

Пример использования механических модулей базирования в нулевой точке с удлитинелями

 Двух сторонние механические модули (ZERO POINT SYSTEM)

Двух сторонние модули дают дополнительные возможности по установке заготовок в станки и машинные центры. Точность повторной установки основной серии до ≤5 µM. 

Nordicmac - системы базирования в нулевой точке

1

Модули базирования в нулевой точке

Выпускаются в различных модификациях и размерах  с силой удержания до 55 кН на точку. Модули могут иметь индексное исполнение для установки модульных систем для обработки на 5х станках. 

2

Установка на любой стол

Модули с механическим зажимом могут быть установлены на любой стол в любом положении с помощью базовых плит или непосредственно в растр или Т пазы стола.

3

Функциональность и точность

Модули имеют высокую точность повторной установки и возможность работать при температурах до 200°С. Могут быть с индексными пазами или без. Возможно заказное исполнение.

4

Внимание!

Компания постоянно занимается усовершенствованием продуктов и оставляет за собой право вносить любые изменения без предварительного предупреждения. Реальные продукты могут отличаться от показанного на изображениях.

Механические зажимные модули Zero Point Systems

Выполняются из нержавеющей стали, либо из инструментальной стали. По заказу могут иметь гальваническое покрытие. Заказное исполнение на основании ТЗ заказчика. Высота 2ММ10 - 50 мм, высота 2ММ20 - 80 мм, остальные размеры в таблице для односторонних модулей выше на странице. 

* Без индексных пазов

№ заказа Модель*Сила втягивания, [kН]Сила удержания [кН]Момент затяжки [Нм]Вес [г]
5596812MM10*625301600
5623562MM20*1055305100
5596792MM10X65.0301520
5623582MM20X105.0305000

Примеры установки заготовок на двух сторонние механические модули

Пример использования комбинированного решения с установкой детали на удлинители с механическим креплением в систему нулевого базирования с пневматическим открытием на столе станка. Модули дают возможность произвольной установки на столе или плите.

Пример использования комбинированного решения с установкой детали на удлинители с механическим креплением в систему нулевого базирования с односторонними и двухс столе станка.

УСТАНОВКА НА ПЛИТЫ И СТОЛ СТАНКА

 Механические модули с зажимной гайкой и стойкой для 5х станков 

Данная модель предназначена для установки на стол станка  или на опорную стойку что дает дополнительную степень свободы для обработки инструментом торцевых поверхностей Точность повторной установки основной серии до ≤5 µM. 

Nordicmac - системы базирования в нулевой точке

1

Модули базирования в нулевой точке

Выпускаются в различных модификациях и размерах  с силой удержания до 43 кН на точку. 

2

Установка на любой стол

Модули с механическим зажимом могут быть установлены на любой стол в любом положении с помощью базовых плит или непосредственно в растр или Т пазы стола или опорную стойку.

3

Функциональность и точность

Модули зажимаются гайкой с последующим зажимом ключом. Возможно заказное исполнение.

4

Внимание!

Компания постоянно занимается усовершенствованием продуктов и оставляет за собой право вносить любые изменения без предварительного предупреждения. Реальные продукты могут отличаться от показанного на изображениях.

Механические зажимные модули с гайкой

Выполняются из нержавеющей стали, либо из инструментальной стали. По заказу могут иметь гальваническое покрытие. Заказное исполнение на основании ТЗ заказчика. 

№ заказа МодельСила втягивания, [kН]Сила удержания [кН]Вес [г]
5534055M101017360
5590945M2020431790

Размеры механических модулей

№ заказа МодельøA1øDøD1 H6øDN F7E1H
±0.01
MøQSTT1
5534055M10104615221240M83594,9
5590945M20
167025321460M1245,5165,2

Опорные стойки

Выполняются из нержавеющей стали, либо из инструментальной стали. По заказу могут иметь гальваническое покрытие. Заказное исполнение на основании ТЗ заказчика. 

№ заказа МодельH
±0.01
Вес 
532390СМ10100995
532374СМ201001790

Размеры механических модулей

№ заказа МодельøA1øВ1øDøD1, 0/+0,01øD2øD3øD4Е1GH1H2MRS1SWT
532390СM10109801535403,1-М810320M8505306
532374СM20
16131162543604,112М1210530M12806416

Пример установки и дополнительные элементы

Примеры установки заготовок

Пример использования модулей на столе  станка. Штревели вкручиваются в заготовку в подготовленные отвертсия.

МЕНЮ

КОНТАКТЫ

Адрес юридический:
199155, г. Санкт-Петербург, вн.тер.г. муниципальный округ Остров Декабристов, ул. Железноводская, д.20, лит.А, кв.33

Электронная почта:
info@nordicmac.com

Drag & Drop Website Builder